0512-57271006
全国服务热线:
文章
文章
搜索
网站首页
品牌简介
产品中心
解决方案
新闻动态
联系我们
资料下载
网站首页
>>
产品中心
>>
行星减速机、转向器
>>
ZPLF系列
>>
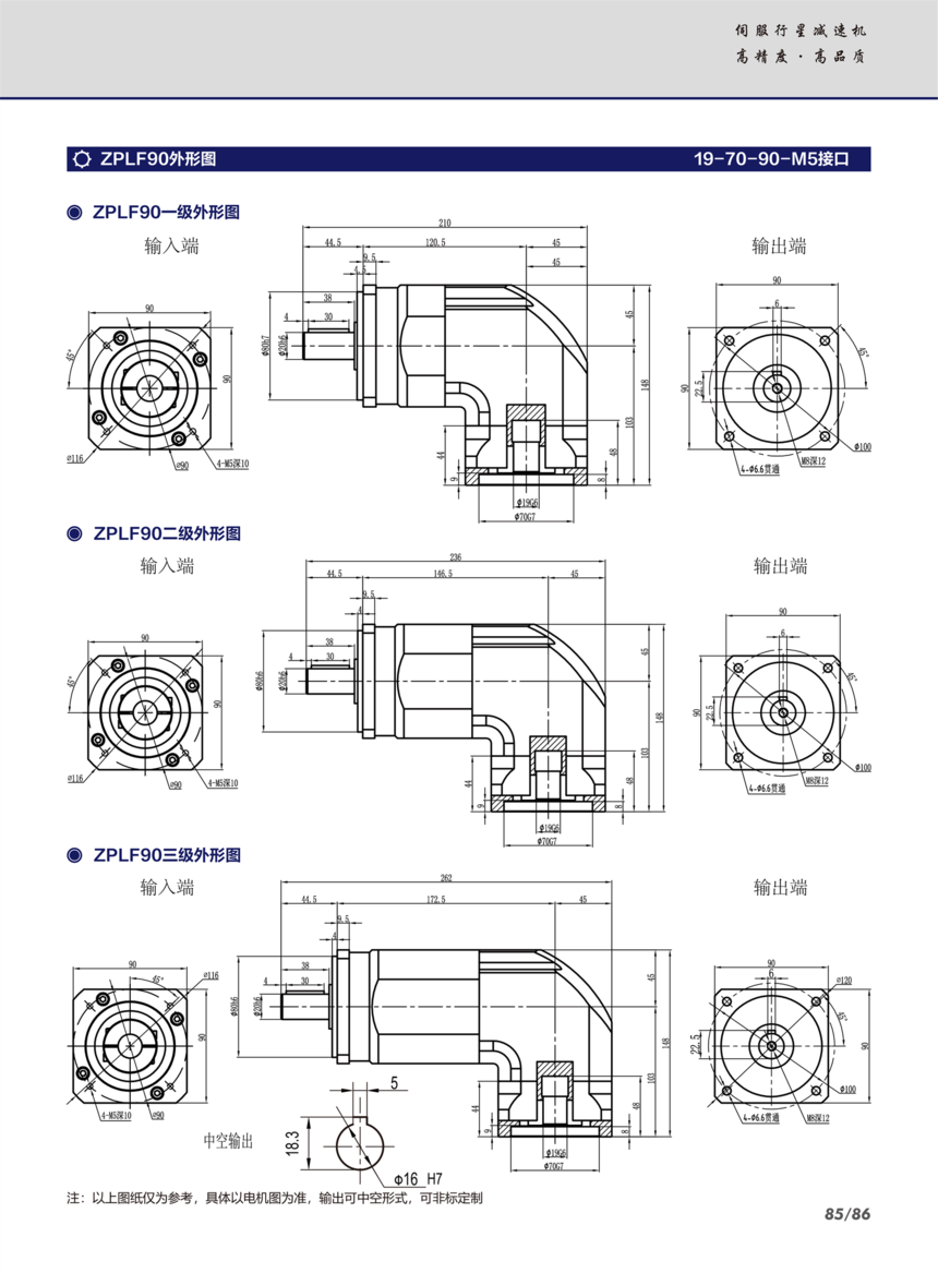
ZPLF90转角经济款行星减速机
产品中心
内嵌模组
内嵌螺杆模组
内嵌皮带模组
标准模组
标准螺杆模组
标准皮带模组
无尘模组
无尘螺杆模组
无尘皮带模组
齿轮齿条模组
欧规模组
经济型模组
KK模组
多轴模组
XYG-A
XYG-F
XYS-A
XYS-G
XYS-P
XYS-F
XYT-A
XYT-G
XYT-F
电动缸
微型电动缸
标准电动缸
重载电动缸
直线导轨、滚珠丝杆
行星减速机、转向器
PGH斜齿系列
PHL斜齿系列
PLX系列
PLF系列
PLE系列
PLH系列
PHF斜齿系列
ZPGH斜齿系列
ZPLX系列
ZPLF系列
ZPLE系列
ZPLH系列
PW换向器系列
中空旋转平台
MT系列模组 货期3-5天
详细说明
ZPLF90转角经济款行星减速机
更多规格请咨询杜工
18117126072
收藏
商品说明
相关商品
PGH60斜齿行星减速机
PGH90斜齿行星减速机
PGH115斜齿行星减速机
PGH142斜齿行星减速机
PGH180斜齿行星减速机
PHL90斜齿行星减速机
PHL115斜齿行星减速机
PHL142斜齿行星减速机
PLX60方体款行星减速机
PLX90方体款行星减速机
品牌简介
更多
关于我们
团队介绍
企业文化
产品中心
更多
内嵌模组
标准模组
电动缸
齿轮齿条模组
中空旋转平台
解决方案
更多
3C电子
在线检测
自动喷涂
自动裁切
新闻动态
更多
产品知识
公司动态
行业新闻
0512-57271006
shxjjm@163.com
苏州 昆山市花桥镇顺扬路77号6号厂房
官方微信
品牌简介
产品中心
解决方案
新闻动态
苏州沐特自动化科技有限公司
电话直呼
18117126072
0512-57271006
技术支持:
CLOUD
|
管理登录
×
账号登录
登录
忘记密码
立即注册
更多登录方式